MONTAGEHINWEISE
Lesen Sie vor dem Einbau diese Anleitung sorgfältig und gewissenhaft durch. Das Recht zu Änderungen an Inhalt von Montagesatz und Einbauanleitung bleibt vorbehalten.
Die Anhängevorrichtung ist ein Sicherheitsteil und darf daher nur von Fachpersonal montiert werden. Jegliche Änderungen bzw. Umbauten an der Anhängevorrichtung sind verboten und führen zum Erlöschen der Betriebserlaubnis.
Beachten Sie bitte, dass bei Schäden in Folge eines unsachgemäßen Einbaus sämtliche Garantieansprüche erlöschen, insbesondere solche, die das Produkthaftungsgesetz betreffen.
Isoliermasse bzw. Unterbodenschutz am Kfz. (falls vorhanden) im Bereich der Anlageflächen der Anhängevorrichtung entfernen. Blanke Karosseriestellen sowie Bohrungen mit Rostschutzfarbe versiegeln.
BETRIEBSHINWEISE
Sämtliche Befestigungsschrauben der Anhängevorrichtung müssen nach 1000 Anhänger-km mit den vorgeschriebenen Anziehdrehmomenten nochmals nachgezogen werden.
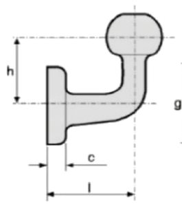
Die Kupplungskugel ist sauber zu halten und zu fetten. Werden jedoch Spurstabilisierungseinrichtungen benutzt, muss die Kupplungskugel fettfrei sein. Bitte die Hinweise in der jeweiligen Betriebsanleitung beachten. Sobald an einer beliebigen Stelle der Durchmesser der Kupplungskugel den Wert von 49,0 mm erreicht bzw. unterschritten hat, darf die Anhängevorrichtung aus Sicherheitsgründen nicht mehr verwendet werden.
Für den Fahrbetrieb sind die Angaben des Fahrzeugherstellers / Aufbauherstellers bezüglich der Anhänge- und Stützlast maßgeblich, wobei die Werte der Anhängevorrichtung nicht überschritten werden dürfen.
Die Anhängevorrichtung dient zum Ziehen von Anhängern, welche mit einer Zugkugelkupplung ausgerüstet sind, sowie zum Betrieb von Lastenträgern welche für die Montage auf einer Kupplungskugel zugelassen sind. Eine artfremde Benutzung ist verboten. Der Betrieb muss den Straßenverhältnissen angepasst erfolgen. Beim Betrieb verändern sich die Fahreigenschaften des Fahrzeuges. Die Betriebsanleitung des Fahrzeugherstellers / Aufbauherstellers ist zu beachten.
Bei Fahrzeugen mit Einparkhilfe können nach der Montage der Anhängevorrichtung Fehlfunktionen auftreten, da die Kugelstange im Erfassungsbereich der Sensoren liegen kann. In diesem Fall sollte der Erfassungsbereich angepasst, oder die Einparkhilfe deaktiviert werden.
Bei Auswahl eines spezifischen 13-poligen Elektrosatzes mit Anhängererkennung (PDC Abschaltung), entfällt die Anpassung.
Die vom Fahrzeughersteller serienmäßig genehmigten Befestigungspunkte sind einzuhalten. Nationale Richtlinien über die Anbauabnahme sind zu beachten.
Diese Montage und Betriebsanleitung ist den Kfz.-Papieren beizufügen.
Der Freiraum nach Anhang 7 Abbildung 25a und 25b der UN EU 55.02-Vorschriften, ist bei zulässigem Gesamtgewicht des Fahrzeuges zu gewährleisten (alle Maßanagaben in mm).
Drehmomenttabelle für Schrauben und Muttern [Nm]
| Class of strength | M6 | M8 | M10 | M12 | M14 | M16 |
|---|---|---|---|---|---|---|
| 8.8 | 11 | 27 | 46 | 80 | 125 | 170 |
| 10.9 | 15 | 35 | 65 | 110 | 176 | 240 |
Montageanleitung
Lösen Sie die Originalschrauben um die Befestigungspunkte am Ende des Chassis freizulegen

Sollte es sich um einen Leiterrahmen handeln, muss die Abschleppöse demontiert werden damit der Montageadapter richtig sitzt! Nach Einbau einer Anhängekupplung ist die Abschleppöse nutzlos!


Bohren Sie ein ø20mm Loch wie dargestellt.

Setzen Sie eine Stütze (Getriebeheber) ein um den Montageadapter (Position 5+6) zu fixieren.

Montieren Sie nun die Sechskantschrauben M12x130 (Position 15) mit der Hülse fi20x93 (Position 13).
Verwenden Sie nun die Sechskantschrauben M12x35 und die Sechskantschraube M12x45 (Position 18) und setzen Sie hierfür die Einleger mit angeschweißter Mutter ein. Beachten Sie bitte die Sicherungsscheibe und Unterlegscheibe (Position 9+10)

Verwenden Sie nun die Inbusschrauben M10x35 (Position 20) mit der Chassis-Einleger-Gegenplatte (Position 11) und einer selbstsichernden Mutter (Position 23).

Beachten Sie hierbei, sollte die Rahmenverlängerung mit verschraubt werden, so ist die Chassis-Einleger-Gegenplatte nutzlos und kann entsorgt werden.

Verschrauben Sie nun den Montageadapter (Position 5+6) mit den Längsträgern (C-Profile Position 3+4). Verwenden Sie hierfür die Sechskant-Flanschschraube M12x35 (Position 18). Achten Sie darauf, dass das C-Profil nach innen zeigt. Für eine Verstärkung benutzen Sie bitte die mitgelieferten Verstärkungsplatten.

Setzen Sie nun den Querträger (Position 1) in die Längsträger (Position 3+4) und benutzen Sie die Sechskant-Flanschschrauben M12x35 (Position 18) und die Sechskant-Flanschmuttern (Position 22). Die letzte Schraube am Querträger wird mit einer Sicherungsscheibe A12 (Position 27) verwendet. Im Querträger ist eine Mutter eingeschweißt.

Setzen Sie jetzt die Diagonalstrebenwinkel (Position 8) in die vorgegebenen Bohrlöcher in den Längsträgern mit den Sechskant-Flanschrauben M10x35 (Position 19) und den Sechskant-Flanschmuttern (Position 23) und montieren Sie die Diagonalstreben (Position 7) wie dargestellt.

Montieren Sie die Steckdosenvorrichtung.

Montage Kugelkopf

Ziehen Sie alle Schrauben gemäß dem Drehmoment in der folgenden Tabelle fest.

| Pos. | Stückliste | Stk. |
|---|---|---|
| 1 | Querträger | 1 |
| 2 | Steckdosenvorrichtung | 1 |
| 3 | Längsträger Fahrerseite (C-Profil innenzeigend) | 1 |
| 4 | Längsträger Beifahrerseite (C-Profil innenzeigend) | 1 |
| 5 | Adapterplatte Fahrerseite | 1 |
| 6 | Adapterplatte Beifahrerseite | 1 |
| 7 | Diagonalstrebe | 2 |
| 8 | Befestigungswinkel (Diagonalstrebe) | 2 |
| 9 | Einleger mit 2 angeschweißten Muttern | 2 |
| 10 | Einleger mit 1 angeschweißten Mutter | 2 |
| 11 | Chassis Einleger-Gegenplatte | 2 |
| 12 | Verstärkungs-Einleger | 8 |
| 13 | Hülse fi20x93 | 2 |
| 14 | Sechskantschraube M16x50 Kl. 10.9 | 2 |
| 15 | Sechskantschraube M12x130 | 2 |
| 16 | Sechskantschraube M12x45 Kl. 10.9 | 2 |
| 17 | Sechskantschraube M12x35 | 4 |
| 18 | Sechskant-Flanschschraube M12x35 | 22 |
| 19 | Sechskant-Flanschschraube M10x35 | 10 |
| 20 | Inbussschraube M10x35 | 6 |
| 21 | Sechskant-Flanschmutter M16 | 2 |
| 22 | Sechskant-Flanschmutter M12 | 22 |
| 23 | Sechskant-Flanschmutter M10 | 16 |
| 24 | Unterlegscheibe A16 | 2 |
| 25 | Unterlegscheibe A12 | 6 |
| 26 | Unterlegscheibe A10 | 2 |
| 27 | Vergrößerungsscheibe A12 | 2 |
| 28 | Sicherungsscheibe A12 | 8 |
1. Isoliermasse an der Klebestelle des Anhängevorrichtungsträgers entfernen.
2. Nach der Montage den Lack des Anhängevorrichtungsträgers auffrischen.
3. Sobald die Deichsel montiert ist, ist eine Eintragung in den Fahrzeugschein erforderlich. 4. Eventuelle Lackschäden am Fahrzeug müssen vor Korrosion geschützt werden.
5. Nach 1.000 km müssen alle Schrauben und Muttern nachgezogen werden.
6. Der Kugelkopf muss sauber und mit Fett gepflegt sein.
7. Änderungen an der Konstruktion des Deichselträgers sind nicht zulässig.
Technisches Datenblatt
| D-Wert | 12.5kN |
| Max. Anhängelast | 2000 kg |
| Max. Stützlast | 120 kg |
| Gewicht | 60 kg |
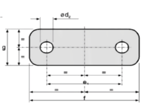
| Querträger Sägemaß | 1045 mm |
ACHTUNG!
Die ECE-Typengenehmigung basiert ohne Kugelkopf! Sie können jeden geeigneten Kugelkopf hinzufügen, der den folgenden Angaben entspricht.
Garantie
Entwickelt für
| Chassis Hersteller | Fiat, Citroën, Peugeot |
| Model | Ducato, Jumper, Boxer |
| Produktionszeitraum | 06/2006-heute |
| Bauform/Typ | Pritschenwagen |
| Artikelnummer | 391400 |
| Klasse | F |
| ECE-Nr. | E32 55.02 .............. |
| Hersteller | MASTERHAK |







